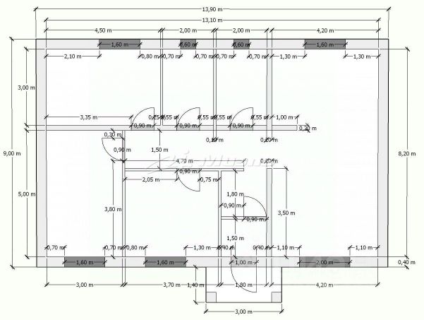
Описание Продается дом на участке 6 соток. Площадь дома 108,7 м2. ПОДХОДИТ ПОД ВСЕ ВИДЫ ИПОТЕК!!! Строительство дома: * 1-этажный дом, с удобной планировкой, материал стен из ракушечника. * фундамент ленточный 9 на 13.90, бетон марки В20. * Полы - монолитная плита. * Гидроизоляция под кладку. * Стены ракушечник толщиной 0,40. * Железобетонные каркасы (рамы), колонны, пояса. * Кровля - брус 150*50, покрытие металлочерепица 0,45, водосточная система, потолочное перекрытие утепленное мин.ватой. * Окна из металлопластика, входная дверь металлическая. * Электричество 15 кв 3 фазы, разводка электропроводки в доме. * Фасад - утеплитель 50 мм, декоративная штукатурка короед. * Крыльцо парадное. * Автономная канализация. * Центральное водоснабжение. * Забор по периметру. * Ворота, калитка * Внутренняя штукатурка стен * Газ проходит по границе участка и на стадии заключения договора Планировка дома: * В доме 2 входа: основной и через кухню на террасу с видом на лес, горы. * Удобная и просторная кухня-гостиная 34 м2 позволит с комфортом расставить мебель и принимать друзей. * В доме 3 просторные спальни 13 м2+15 м2+14 м2. * 2 отдельных санузла. * Парковка на 2 автомобиля. Дом находится в 100 м от автобусной остановки. 4 км от объездной дороги города Симферополь. До центра всего лишь 10-15 мин на авто. Магазины, аптеки рядом. Около километра от дома есть три озера для рыбалки и отдыха. Введен в эксплуатацию. Документы готовы к продаже. Подходит под ипотеку.


































































